电话:021 - 61918538 传真:021 - 61918539
公司概况
新闻事件
主要产品
产品应用
典型用户
四年质保
合作发展
技术支持
联系我们
主页
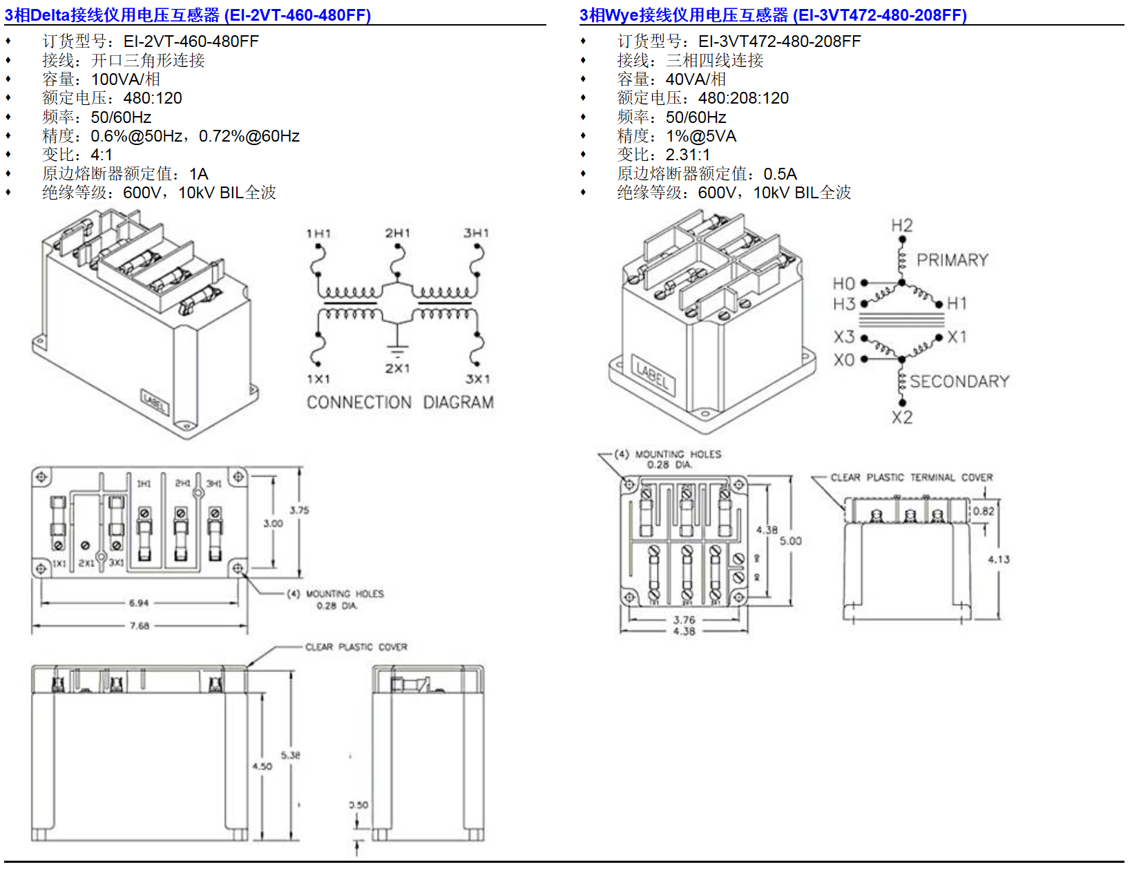
仪用电压互感器
EI-2VT-460-480FF/EI-3VT472-480-208FF
仪用电压互感器
相关文件下载:
There are no file for 仪用电压互感器 yet.
© 2006-2025版权所有 | 沪ICP备09068762号